Alle Maße und Daten zu LFD-Gehäuselagern, Flanschlagern, Stehlagern, Spannlagern, Spannlagereinheiten - Datenbank der LFD Wälzlager GmbH.
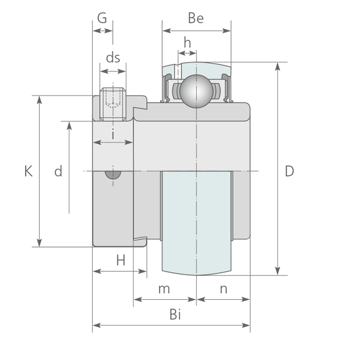
UEL 203 ... UEL 320 RILLENKUGELLAGER MIT EXZENTERRING
Abmessungen [mm] | Tragzahl [kN] | Gewicht | |||||||||||||
d[mm] | D | Bi | Be | n | m | i | K | H | G | h | ds | dyn.C | stat.C0 | [kg] | |
|
UEL 203 |
17 |
40 |
37,3 |
14 |
13,90 |
13,9 |
9,5 |
33,3 |
13,5 |
5,0 |
3,5 |
M6 x 1,0 |
9,6 |
4,8 |
0,25 |
|
UEL 204 |
20 |
47 |
43,7 |
17 |
17,10 |
17,1 |
9,5 |
33,3 |
13,5 |
5,0 |
4,4 |
M6 x 1,0 |
12,8 |
6,7 |
0,22 |
|
UEL 205 |
25 |
52 |
44,3 |
17 |
17,40 |
17,4 |
9,5 |
38,1 |
13,5 |
5,0 |
4,3 |
M6 x 1,0 |
14,0 |
7,9 |
0,25 |
|
UEL 305 |
25 |
62 |
46,8 |
22 |
16,70 |
18,2 |
11,9 |
42,8 |
15,9 |
6,0 |
6,2 |
M8 x 1,0 |
20,6 |
11,3 |
0,43 |
|
UEL 206 |
30 |
62 |
48,4 |
19 |
18,30 |
18,2 |
11,9 |
44,5 |
15,9 |
6,0 |
5,0 |
M8 x 1,0 |
19,5 |
11,3 |
0,41 |
|
UEL 306 |
30 |
72 |
50,0 |
24 |
17,50 |
19,0 |
13,5 |
50,0 |
17,5 |
6,7 |
6,5 |
M8 x 1,0 |
29,9 |
15,8 |
0,68 |
|
UEL 207 |
35 |
72 |
51,1 |
20 |
18,80 |
18,8 |
13,5 |
55,6 |
17,5 |
6,5 |
5,8 |
M8 x 1,0 |
25,7 |
15,4 |
0,61 |
|
UEL 307 |
35 |
80 |
51,6 |
26 |
18,30 |
19,8 |
13,5 |
55,0 |
17,5 |
6,7 |
7,2 |
M8 x 1,0 |
33,5 |
18,3 |
0,80 |
|
UEL 208 |
40 |
80 |
56,3 |
21 |
21,40 |
21,4 |
13,5 |
60,3 |
18,3 |
6,5 |
6,3 |
M8 x 1,0 |
32,0 |
17,8 |
0,78 |
|
UEL 308 |
40 |
90 |
57,1 |
28 |
19,80 |
21,5 |
15,8 |
63,5 |
20,6 |
8,0 |
8,5 |
M10 x 1,25 |
40,7 |
24,0 |
1,08 |
|
UEL 209 |
45 |
85 |
56,3 |
22 |
21,40 |
21,4 |
13,5 |
63,5 |
18,3 |
6,5 |
6,8 |
M8 x 1,0 |
32,7 |
20,2 |
0,85 |
|
UEL 309 |
45 |
100 |
58,7 |
30 |
19,80 |
23,1 |
15,8 |
70,0 |
20,6 |
8,0 |
9,0 |
M10 x 1,25 |
52,7 |
31,7 |
1,45 |
|
UEL 210 |
50 |
90 |
62,7 |
23 |
24,60 |
24,6 |
13,5 |
69,9 |
18,3 |
6,5 |
6,5 |
M8 x 1,0 |
35,1 |
23,1 |
1,01 |
|
UEL 310 |
50 |
110 |
66,6 |
32 |
24,60 |
24,6 |
17,4 |
76,2 |
22,2 |
8,7 |
9,9 |
M10 x 1,25 |
62,0 |
37,9 |
1,86 |
|
UEL 211 |
55 |
100 |
71,4 |
25 |
27,80 |
27,7 |
15,9 |
76,2 |
20,7 |
8,0 |
7,2 |
M10 x 1,0 |
43,6 |
29,3 |
1,39 |
|
UEL 311 |
55 |
120 |
73,0 |
34 |
27,80 |
27,8 |
17,4 |
83,0 |
22,2 |
9,0 |
10,6 |
M10 x 1,25 |
71,5 |
44,6 |
2,30 |
|
UEL 212 |
60 |
110 |
77,8 |
27 |
31,00 |
30,9 |
15,9 |
84,2 |
22,3 |
8,0 |
8,2 |
M10 x 1,0 |
52,4 |
36,0 |
1,87 |
|
UEL 312 |
60 |
130 |
79,4 |
36 |
30,95 |
31,0 |
17,5 |
89,0 |
23,9 |
9,0 |
11,3 |
M10 x 1,25 |
81,5 |
51,9 |
2,89 |
|
UEL 213 |
65 |
120 |
85,7 |
28 |
34,10 |
34,5 |
17,1 |
86,0 |
23,5 |
8,5 |
8,0 |
M10 x 1,0 |
57,2 |
40,0 |
2,51 |
|
UEL 313 |
65 |
140 |
85,7 |
38 |
32,50 |
32,6 |
20,6 |
97,0 |
27,0 |
11,5 |
12,5 |
M12 x 1,5 |
93,0 |
59,7 |
3,66 |
|
UEL 314 |
70 |
150 |
92,1 |
40 |
34,15 |
34,2 |
23,8 |
102,0 |
30,2 |
12,0 |
13,2 |
M12 x 1,5 |
104,0 |
68,1 |
4,50 |
|
UEL 215 |
75 |
130 |
92,1 |
30 |
37,30 |
37,7 |
17,1 |
102,0 |
23,5 |
8,5 |
9,0 |
M12 x 1,5 |
67,4 |
49,3 |
2,74 |
|
UEL 315 |
75 |
160 |
100,0 |
42 |
37,30 |
37,3 |
25,4 |
113,0 |
31,8 |
13,0 |
13,0 |
M16 x 1,5 |
114,0 |
77,0 |
5,34 |
|
UEL 316 |
80 |
170 |
106,4 |
44 |
40,50 |
40,5 |
25,4 |
119,0 |
31,8 |
13,0 |
13,8 |
M16 x 1,5 |
122,0 |
86,5 |
6,70 |
|
UEL 317 |
85 |
180 |
109,5 |
46 |
42,00 |
42,1 |
25,4 |
127,0 |
31,8 |
13,0 |
14,8 |
M16 x 1,5 |
133,0 |
96,6 |
8,03 |
|
UEL 318 |
90 |
190 |
115,9 |
48 |
43,60 |
43,7 |
28,6 |
133,0 |
36,5 |
14,5 |
15,5 |
M20 x 1,5 |
143,0 |
107,0 |
9,10 |
|
UEL 319 |
100 |
200 |
122,3 |
50 |
46,80 |
46,9 |
28,6 |
140,0 |
36,5 |
14,5 |
16,8 |
M20 x 1,5 |
153,0 |
118,0 |
10,40 |
|
UEL 320 |
110 |
215 |
128,6 |
54 |
50,00 |
50,0 |
28,6 |
146,0 |
36,5 |
14,5 |
17,8 |
M20 x 1,5 |
173,0 |
140,0 |
13,00 |