Alle Maße und Daten zu LFD-Gehäuselagern, Flanschlagern, Stehlagern, Spannlagern, Spannlagereinheiten - Datenbank der LFD Wälzlager GmbH.
UKP 205 + H 2305 ... UKP 328 + H 2328 STEHLAGER MIT SPANNHÜLSE, GUSSGEHÄUSE
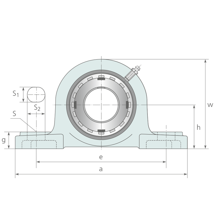
Abmessungen [mm] | Tragzahl [kN] | Gewicht | |||||||||||||||
d[mm] | h | a | e | b | S1 | S2 | g | w | Bi | n | S Schraube | Lager | Gehäuse | dyn.C | stat.C0 | [kg] | |
|
UKP 205 + H 2305 |
20 |
36,5 |
140 |
105 |
38 |
13 |
19 |
15 |
70 |
35,0 |
- |
M10 |
UK 205 |
P 205 |
14,0 |
7,9 |
0,83 |
|
UKP 305 + H 2305 |
20 |
45,0 |
175 |
132 |
45 |
17 |
20 |
16 |
85 |
35,0 |
- |
M14 |
UK 305 |
P 305 |
20,6 |
11,3 |
1,60 |
|
UKP 206 + H 2306 |
25 |
42,9 |
165 |
121 |
48 |
17 |
21 |
18 |
83 |
38,0 |
- |
M14 |
UK 206 |
P 206 |
19,5 |
11,3 |
1,30 |
|
UKP 306 + H 2306 |
25 |
50,0 |
180 |
140 |
50 |
17 |
20 |
18 |
95 |
38,0 |
- |
M14 |
UK 306 |
P 306 |
29,9 |
15,8 |
1,90 |
|
UKP 207 + H 2307 |
30 |
47,6 |
167 |
126 |
48 |
17 |
21 |
19 |
92 |
43,0 |
- |
M14 |
UK 207 |
P 207 |
25,7 |
15,4 |
1,50 |
|
UKP 307 + H 2307 |
30 |
56,0 |
210 |
160 |
56 |
17 |
25 |
20 |
106 |
43,0 |
- |
M14 |
UK 307 |
P 307 |
33,5 |
18,3 |
2,70 |
|
UKP 208 + H 2308 |
35 |
49,2 |
184 |
136 |
54 |
17 |
21 |
19 |
98 |
46,0 |
- |
M14 |
UK 208 |
P 208 |
32,0 |
17,8 |
2,00 |
|
UKP 308 + H 2308 |
35 |
60,0 |
220 |
170 |
60 |
17 |
27 |
22 |
116 |
46,0 |
- |
M14 |
UK 308 |
P 308 |
40,7 |
24,0 |
3,00 |
|
UKP 209 + H 2309 |
40 |
54,0 |
190 |
146 |
54 |
17 |
21 |
20 |
106 |
50,0 |
- |
M14 |
UK 209 |
P 209 |
32,7 |
20,2 |
2,30 |
|
UKP 309 + H 2309 |
40 |
67,0 |
245 |
190 |
67 |
20 |
30 |
24 |
129 |
50,0 |
- |
M16 |
UK 309 |
P 309 |
52,7 |
31,7 |
4,60 |
|
UKP 210 + H 2310 |
45 |
57,2 |
206 |
159 |
60 |
20 |
25 |
22 |
112 |
55,0 |
- |
M16 |
UK 210 |
P 210 |
35,1 |
23,1 |
3,00 |
|
UKP 310 + H 2310 |
45 |
75,0 |
275 |
212 |
75 |
20 |
35 |
27 |
143 |
55,0 |
- |
M16 |
UK 310 |
P 310 |
62,0 |
37,9 |
6,20 |
|
UKP 211 + H 2311 |
50 |
63,5 |
219 |
171 |
60 |
20 |
25 |
22 |
126 |
59,0 |
- |
M16 |
UK 211 |
P 211 |
43,6 |
29,3 |
3,50 |
|
UKP 311 + H 2311 |
50 |
80,0 |
310 |
236 |
80 |
20 |
38 |
30 |
154 |
59,0 |
- |
M16 |
UK 311 |
P 311 |
71,5 |
44,6 |
7,60 |
|
UKP 212 + H 2312 |
55 |
69,8 |
241 |
184 |
70 |
20 |
25 |
25 |
137 |
62,0 |
- |
M16 |
UK 212 |
P 212 |
52,4 |
36,0 |
4,70 |
|
UKP 312 + H 2312 |
55 |
85,0 |
330 |
250 |
85 |
25 |
38 |
32 |
165 |
62,0 |
- |
M20 |
UK 312 |
P 312 |
81,5 |
51,9 |
9,30 |
|
UKP 213 + H 2313 |
60 |
76,2 |
265 |
203 |
70 |
25 |
29 |
27 |
150 |
65,0 |
- |
M20 |
UK 213 |
P 213 |
57,2 |
40,0 |
5,90 |
|
UKP 313 + H 2313 |
60 |
90,0 |
340 |
260 |
90 |
25 |
38 |
35 |
176 |
65,0 |
- |
M20 |
UK 313 |
P 313 |
93,0 |
59,7 |
9,80 |
|
UKP 215 + H 2315 |
65 |
82,6 |
275 |
217 |
74 |
25 |
31 |
28 |
163 |
73,0 |
- |
M20 |
UK 215 |
P 215 |
67,4 |
49,3 |
7,60 |
|
UKP 315 + H 2315 |
65 |
100,0 |
380 |
290 |
100 |
27 |
40 |
35 |
198 |
73,0 |
- |
M22 |
UK 315 |
P 315 |
114,0 |
77,0 |
13,70 |
|
UKP 216 + H 2316 |
70 |
88,9 |
292 |
232 |
78 |
25 |
31 |
30 |
175 |
78,0 |
- |
M20 |
UK 216 |
P 216 |
72,7 |
53,0 |
9,20 |
|
UKP 316 + H 2316 |
70 |
106,0 |
400 |
300 |
110 |
27 |
40 |
40 |
210 |
78,0 |
- |
M22 |
UK 316 |
P 316 |
122,0 |
86,5 |
16,60 |
|
UKP 217 + H 2317 |
75 |
95,2 |
310 |
247 |
83 |
25 |
28 |
32 |
187 |
82,0 |
- |
M20 |
UK 217 |
P 217 |
83,2 |
61,9 |
13,00 |
|
UKP 317 + H 2317 |
75 |
112,0 |
420 |
320 |
110 |
33 |
45 |
40 |
220 |
82,0 |
- |
M27 |
UK 317 |
P 317 |
133,0 |
96,6 |
18,60 |
|
UKP 218 + H 2318 |
80 |
101,6 |
327 |
262 |
88 |
27 |
33 |
34 |
200 |
86,0 |
- |
M22 |
UK 218 |
P 218 |
95,6 |
71,5 |
15,00 |
|
UKP 318 + H 2318 |
80 |
118,0 |
430 |
330 |
110 |
33 |
45 |
45 |
235 |
86,0 |
- |
M27 |
UK 318 |
P 318 |
143,0 |
107,0 |
21,10 |
|
UKP 319 + H 2319 |
85 |
125,0 |
470 |
360 |
120 |
36 |
50 |
45 |
250 |
90,0 |
- |
M30 |
UK 319 |
P 319 |
153,0 |
118,0 |
26,50 |
|
UKP 320 + H 2320 |
90 |
140,0 |
490 |
380 |
120 |
36 |
50 |
50 |
275 |
97,0 |
- |
M30 |
UK 320 |
P 320 |
173,0 |
140,0 |
34,30 |
|
UKP 322 + H 2322 |
100 |
150,0 |
520 |
400 |
140 |
40 |
55 |
50 |
296 |
105,0 |
- |
M33 |
UK 322 |
P 322 |
203,0 |
178,0 |
42,60 |
|
UKP 324 + H 2324 |
110 |
160,0 |
570 |
450 |
140 |
40 |
55 |
50 |
316 |
112,0 |
- |
M33 |
UK 324 |
P 324 |
212,0 |
190,0 |
53,00 |
|
UKP 326 + H 2326 |
115 |
180,0 |
600 |
480 |
140 |
40 |
55 |
50 |
355 |
121,0 |
- |
M33 |
UK 326 |
P 326 |
229,0 |
214,0 |
72,40 |
|
UKP 328 + H 2328 |
125 |
200,0 |
620 |
500 |
140 |
40 |
55 |
60 |
393 |
131,0 |
- |
M33 |
UK 328 |
P 328 |
255,0 |
246,0 |
89,40 |